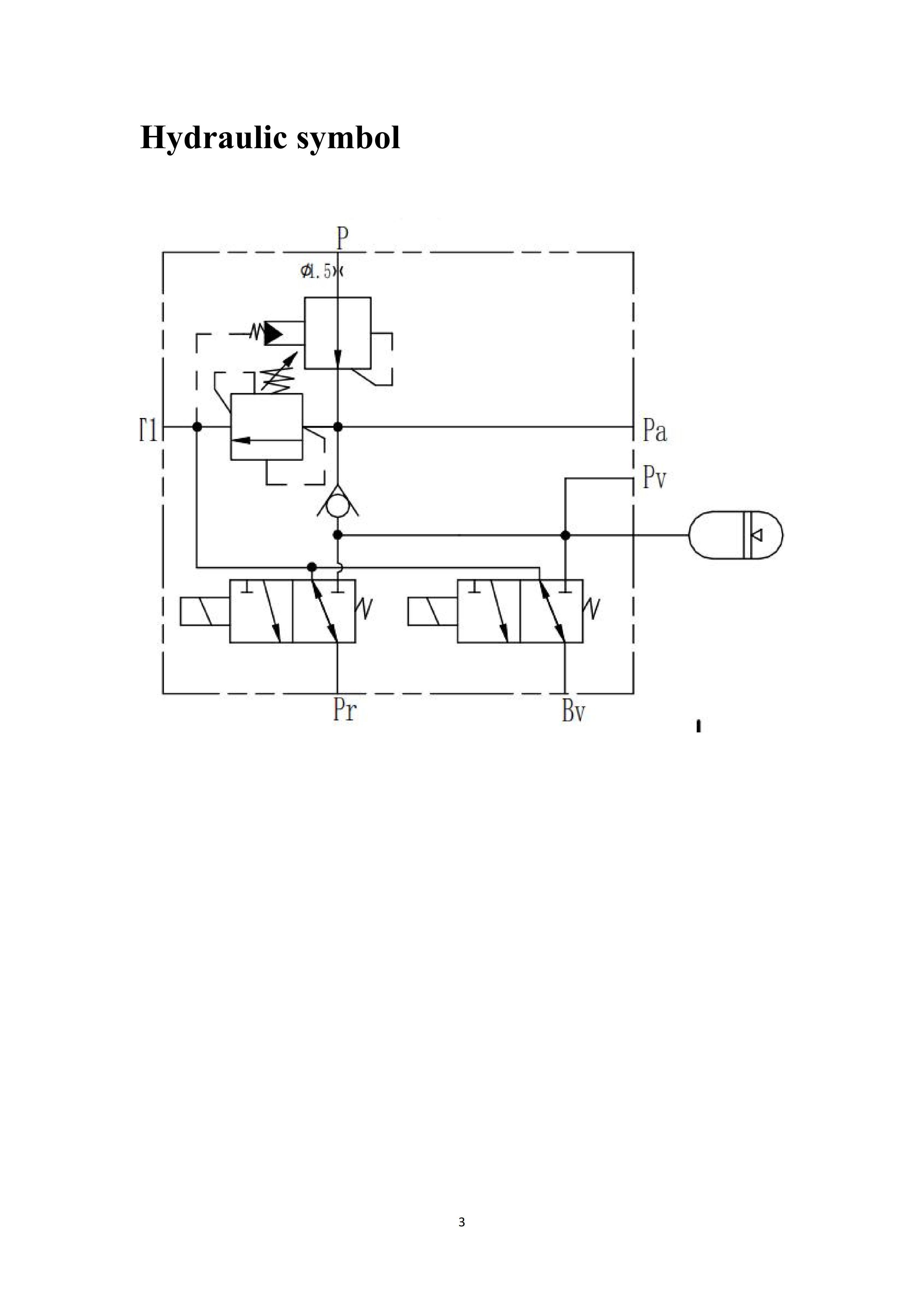
wheel excavator manifold block with accumulator and cartridge valves
ADVANTAGE
Leak Reduction:Eliminating hoses and fittings removes the most common points of failure and oil leaks.
Compact Size:Integrates complex circuits into a small space, ideal for mobile machinery (excavators, forklifts).
Serviceability:Cartridge valves can be unscrewed and replaced in minutes without dismantling the entire hydraulic line.
Energy Efficiency:The accumulator allows the use of a smaller pump, reducing fuel consumption and heat generation.
Products Display
WHY CHOOSE US
EXPERIENCED
QUALITY
R&D
We have more than 15 years of experience in this item.
Introduce well-known brand processing equipment and provide QC reports.
Our R&D team consists of 10-20 people, most of whom have about 10 years of work experience.
OUR CERTIFICATES
Quality Control Equipment
To ensure the quality of factory products,we introduce advanced cleaning and component testing instruments, 100% of the assembled products pass factory testing and the test data of each product is saved on a computer server.
R&D team
Our R&D team consists of 10-20 people, most of whom have about 10 years of work experience.
Our R&D center has a sound R&D process,including customer survey, competitor research, and market development management system.
We have mature R&D equipment including design calculations, host system simulation, hydraulic system simulation, on-site debugging, product testing center, and structural finite element analysis.
OUR PARTNER
Over the past decade,as a trusted supplier, Ningbo Flag Hydraulic Co., Ltd. provides supporting equipment for large and powerful domestic enterprises such as Sunward Intelligent, XCMG, Sany Heavy Industry, and Zoomlion.
-
811300064-PDF







