HYDRAULIC PILOT REMOTE CONTROL JOYSTICKS FOR EXCAVTOR
Advantage:
1.Compliant with ergonomics
2.Multi-Axis Proportional Control
3.Ergonomic Precision
4.Integrated Auxiliary Controls
5.Progressive Spring Tension
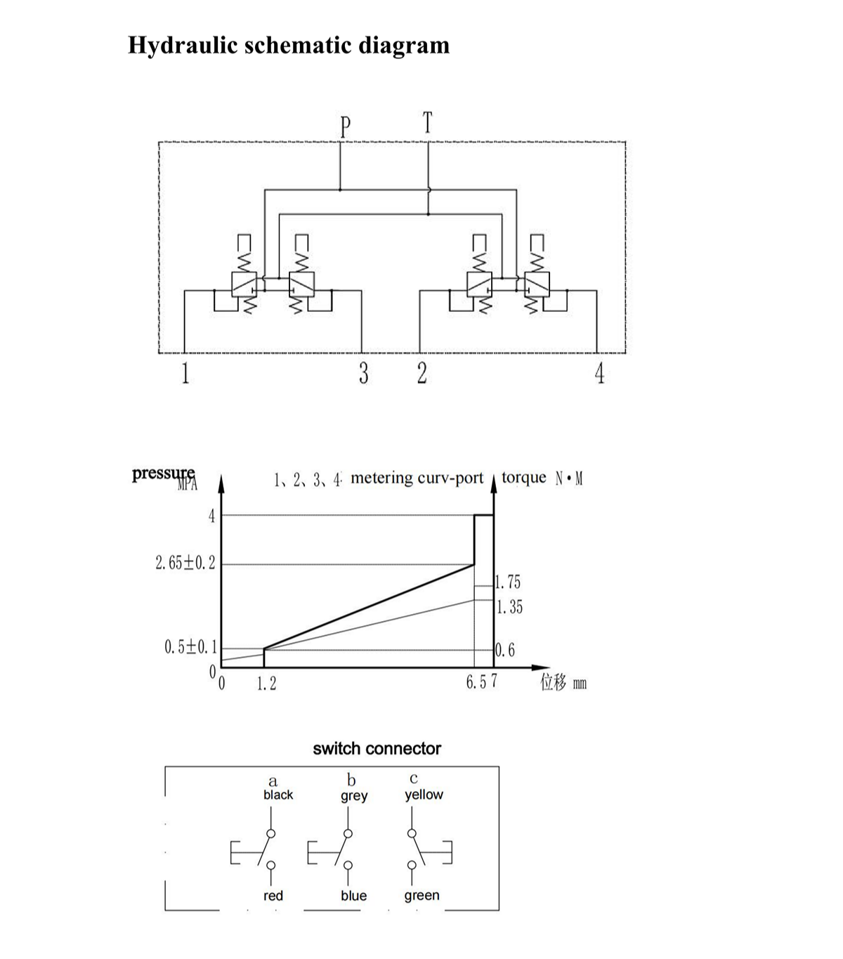
Products Display
WHY CHOOSE US
EXPERIENCED
QUALITY
R&D
We have more than 15 years of experience in this item.
Introduce well-known brand processing equipment and provide QC reports.
Our R&D team consists of 10-20 people, most of whom have about 10 years of work experience.
OUR CERTIFICATES
Quality Control Equipment
To ensure the quality of factory products,we introduce advanced cleaning and component testing instruments, 100% of the assembled products pass factory testing and the test data of each product is saved on a computer server.
R&D team
Our R&D team consists of 10-20 people, most of whom have about 10 years of work experience.
Our R&D center has a sound R&D process,including customer survey, competitor research, and market development management system.
We have mature R&D equipment including design calculations, host system simulation, hydraulic system simulation, on-site debugging, product testing center, and structural finite element analysis.
OUR PARTNER
Over the past decade,as a trusted supplier, Ningbo Flag Hydraulic Co., Ltd. provides supporting equipment for large and powerful domestic enterprises such as Sunward Intelligent, XCMG, Sany Heavy Industry, and Zoomlion.
-
81090463-PDF







